Укр
Рус







Код товару: BS_1720316
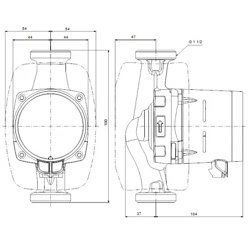
Grundfos Alpha1 25-60 N 180 (99199593) – високоефективні циркуляційні насоси, призначені для циркуляції рідин у системах опалення. Варіант ALPHA1 з нержавіючої сталі підходить, наприклад, до побутових систем гарячого водопостачання. Завдяки індексу енергоефективності (EEI) на зразку ErP для найефективніших насосів це сприяє економії енергії.
Насос може працювати в режимах пропорційного тиску, постійного тиску та постійної кривої. Режим керування вибирається за допомогою кнопки на екрані. Світлодіоди вказують робочий стан, фактичне споживання електроенергії у ВАТ, а також попередження та тривогу.
Конструкція та вибрані насосні матеріали сприяють тривалій роботі. Насос самовентилюється через систему, що сприяє легкому введенню в експлуатацію. Компактна конструкція насоса із вбудованою коробкою керування вписується у більшість поширених установок. Насос та двигун утворюють цілісний блок без ущільнення валу. Підшипники змащуються рідиною, що перекачується. Ці конструктивні особливості забезпечують експлуатацію, яка не потребує обслуговування.
Корпуси насосів, виготовлені з чавуну, мають електропокриття для покращення корозійної стійкості. Двигун – це синхронний двигун із постійним магнітом/компактним статором, що характеризується високою ефективністю. Швидкість насоса регулюється інтегрованим перетворювачем частоти, інтегрованим блок управління.
Ізоляційні оболонки забезпечуються насосами для мінімізації втрат тепла у системах опалення.
Матеріали:
Корпус насоса – нержавіюча сталь EN 1.4308., ASTM A351-CF8
Монтаж.
Рідина.
Дані електроустаткування.
Інформація про технічні характеристики, комплектацію, склад, країну виготовлення, зовнішній вигляд товару тощо носить довідковий характер і ґрунтується на останніх доступних відомостях від виробника. Для уточнення інформації про товар можна звернутись до колл-центру Продавця або Сайту.
У цього товару ще немає відгуків.
27 157 ₴
-7%25 280 ₴
Безкоштовно з будь-яких номерів
Дзвінки згідно тарифів вашого оператора
Слідкуйте за нами:
Ми приймаємо:
© Інтернет-магазин MAUDAU 2026
Безкоштовно з будь-яких номерів
Дзвінки згідно тарифів вашого оператора
Пн-Нд: 9:00-21:00