Укр
Рус



Код товару: SB_2456704
Характеристики
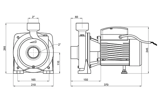
Насос поверхневий відцентровий Thermo Alliance CPm200/2 1,5 кВт має високу продуктивність. Застосовують для перекачування чистої води без вмісту абразиву, бруду, в'язких речовин, піску, а також інших жирних (мастила, олії тощо), агресивних, горючих або вибухонебезпечних речовин. Використовують для загального водопостачання, створення тиску у водних мережах, зрошувальних установках, системах з використанням механічної чи електронної схем керування у системах автоматичної подачі води.
Інформація про технічні характеристики, комплектацію, склад, країну виготовлення, зовнішній вигляд товару тощо носить довідковий характер і ґрунтується на останніх доступних відомостях від виробника. Для уточнення інформації про товар можна звернутись до колл-центру Продавця або Сайту.
У цього товару ще немає відгуків.
8 067 ₴
0 800 75 83 68
Безкоштовно з будь-яких номерів
0 44 355 83 68
Дзвінки згідно тарифів вашого оператора
Пн-Нд: 9:00-21:00