Укр
Рус





Код товару: BS_1718490
Grundfos Alpha2 25-40 130 (99411143) – циркуляційний насос з "мокрим" ротором для перекачування рідини в побутових системах опалення та кондиціонування повітря. Завдяки високому індексу енергоефективності (EEI), значно випереджаючого діючі норми ErP, насос дозволяє істотно знизити споживання електроенергії.
Характеристики:
Тимчасово використовуючи насос ALPHA2 з модулем зв'язку ALPHA Reader MI401 і додатком Grundfos GO Balance, можна легко і швидко виконувати балансування систем опалення, що включають радіатори і (або) систему "тепла підлога". Функція AUTOADAPT автоматично безперервно регулює продуктивність насоса відповідно до фактичної потреби в теплі, тобто з урахуванням розміру системи опалення та її потреб в різні сезони. Функція AUTOADAPT знайде робочу точку, при якій забезпечується оптимальний рівень комфорту при мінімальному енергоспоживанні. Завдяки цієї функції процес пусконаладки стає швидким, простим і безпечним.
Крім того, у насоса є три режими управління, кожен з яких має кілька видів:
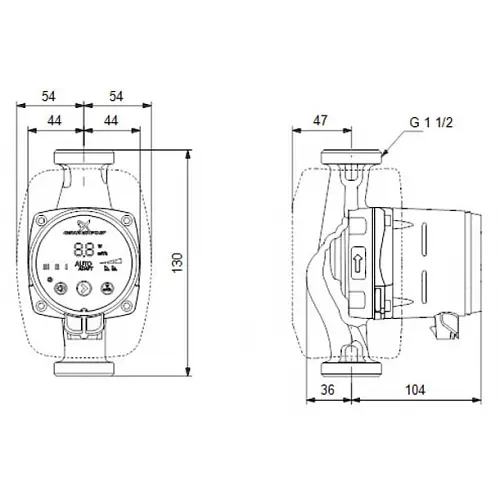
На дисплеї виводиться фактичне енергоспоживання в ватах або фактичні витрати в м3/год, а також аварійні сигнали і попередження. Світлодіодні індикатори показують фактичний робочий стан.
Якщо включений нічний режим, частота обертання електродвигуна буде автоматично зменшуватися при падінні температури в системі, що дозволяє економити електроенергію. Якщо активується ручний «літній» режим, то насос буде регулярно автоматично запускатися з малою частотою обертання для захисту ротора від блокування вапняними відкладеннями і ефективного використання енергії.
Насос виконаний як насос з герметичним ротором, тобто насос і двигун складають єдиний блок. Як мастила для підшипників використовується перекачувана рідина, що виключає необхідність в технічному обслуговуванні. Насос має захист від «сухого» ходу.
Всі компоненти насоса - керамічний вал і радіальні підшипники, вуглецевий підшипник, захисна гільза ротора, підшипникова пластина і корпус ротора з нержавіючої сталі, робоче колесо з композитного матеріалу - забезпечують довгий термін служби. Повітря з насоса видаляється автоматично, що спрощує пусконаладку.
Корпус і головна частина насоса виконані з чавуну з гальванічним покриттям для поліпшення антикорозійних властивостей. Це дозволяє використовувати насос для перекачування холодних рідин, наприклад, в системах охолодження.
Використовується високоефективний синхронний електродвигун з ротором на постійних магнітах / компактним статором. Частота обертання регулюється за допомогою вбудованого частотного перетворювача в шафі управління. У комплект поставки насоса входить додатковий кутовий ALPHA-штекер (кут 90 ° вліво), а також кабельна муфта і блок зв'язку APLHA reader MI401.
Матеріали:
Монтаж.
Рідина.
Дані електроустаткування.
Система керування.
Автоматичний нічний режим експлуатації – вбудована автоматична функція зниження робочої точки в нічний час.
Інформація про технічні характеристики, комплектацію, склад, країну виготовлення, зовнішній вигляд товару тощо носить довідковий характер і ґрунтується на останніх доступних відомостях від виробника. Для уточнення інформації про товар можна звернутись до колл-центру Продавця або Сайту.
У цього товару ще немає відгуків.
13 504 ₴
Безкоштовно з будь-яких номерів
Дзвінки згідно тарифів вашого оператора
Слідкуйте за нами:
Ми приймаємо:
© Інтернет-магазин MAUDAU 2026
Безкоштовно з будь-яких номерів
Дзвінки згідно тарифів вашого оператора
Пн-Нд: 9:00-21:00